接上期介紹,本期我們繼續和大家探討線材在聽音室系統中的作用。上次文章末段,我們介紹了部分工程聲學的數據,本文將帶來後續的數據:
第七項,低頻響應
目前能找到的最新的國際標準為ISO 2969-2015,這個是電影院標準;(從標準中可以看出,影片製作也越來越變態,5HZ都做進去了)4.3現代音軌上低頻效果聲道的帶寬從5 Hz擴展到120赫茲。 從大約25Hz到120Hz需要線性重低音揚聲器響應。該120赫茲音軌切斷非常陡峭,因此合適的低音揚聲器需要上面幾乎沒有響應125赫茲。 有關低音炮調節的信息,請參閱ISO 22234:2005。
許多房間在低頻效應通道內具有一個或多個主要共振頻率帶寬。 如果沒有阻尼,這可能導致每次特徵性的低頻「振鈴」音軌包含低頻信息。 大多數影院處理器至少有一個用於低音炮帶通的參量均衡器。 調整後,之間的反應25 Hz和120 Hz應平坦至±3 dB。
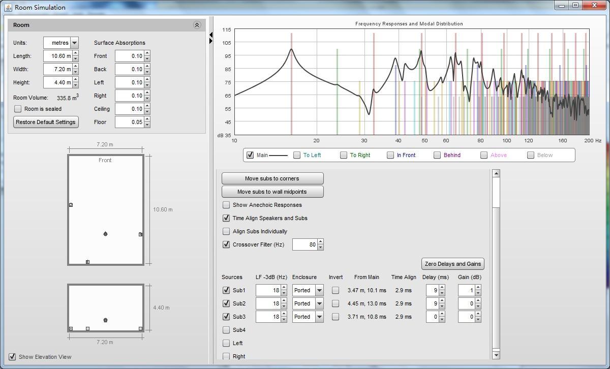
三炮擺位見模擬圖:
吻合國際聲學專家哈曼Floyd老爺子著作中的聲學原理:
在時域內,共震和其它共振近似,也有Q值,反映整個系統中的聲學阻尼或摩擦力衰減。高Q值的共振具有較小的衰減:它們表現出較窄的頻帶的銳利曲線峰,在時域範圍內則會產生延續的的拖尾音。一隻底鼓應該發出結實的爆棚低音,但如果是在一間有不良共振的房間內,在共振的頻率上,快速的連續敲擊可能會演變成持續的模糊的轟鳴。在房間內、房間的邊界、房間內的陳設以及聲學結構當中,所採用的吸聲量越大, 共振的Q 值就越低。低Q 值的共振是由於系統的損耗導致的。
在頻域曲線申會產生較寬範圍的提升,和短得多的、受到抑制的拖尾音。抑制共振是一件好事情,但我們將會看到,用被動聲學方式抑制房間內的低頻共振是難度很高的。幸好,我們還可以利用電子和電聲學手段來幫助消除不必要的聲音。內部機制決定了共振的外部表現,當聲音在兩個或更多房間邊界之間傳播,併產生了完全的相長干涉時,就會產生我們熟知的駐波( standing waves )現象。這種現象存在於所有的共振頻率上,並且可以通過測量房間邊界範圍內各點的聲音強度變化檢查出來。那些由高Q 值共振引起的尖峰和低谷都是比較銳利和窄的。而低Q 值共振則會產生相對平緩的聲級變化。這些都會導致我們在小房間內,不同位置座位的低頻品質的不罔,有時這種不同甚至十分驚人。
第八項:房間大小和構造
客觀指標也發完了,主觀部分開始就發了,整個空間能搞的東西都搞上了,算是武裝到了牙齒。現場的聽感來說,背景極黑,所以一直以來使用的音量極小,但動態對比度卻很大很明顯的感覺到動態落差。
因為一開始就說了線材,所以後面我要再舉證一組對比,都知道我的原則,不得談無法舉證的東西,所以下面一組對比,將是對線材是否有使用的一個真實舉證,並且就是昨天才完成的。6月26把箱子從大Q(Quested HD210),換成了XTZ 瓦片旗艦,群友對比聽出「現在你放的這個1分鐘左右開始大提琴,瓦片大提琴的粘稠質感全無,琴體共鳴也是更差,比Q箱差距巨大」。 這位發燒友一直對發燒線材故意染色,給玩家製造一種一換上去一下就立竿見影,變化明顯(不一定是提升明顯)的感覺,凸顯一部分,弱化一部分線材比較憤概,這也是線材在行內最慣用的伎倆,所以現在用高端錄音室線材。同時另外一位群友,直接用錄音軟件對此首音樂的原文件、雲音樂、和我錄的音頻作了全頻的頻率對數分析,除了雲音樂是壓縮的,高頻被切之外,數據差異很少,所以以這個對比的方式來說,無法得到可明顯區別的舉證。但聽感確實是大提琴比原文件在腔體共鳴上差不少。
在群友提出大提琴共鳴差之後,我昨天收到了第二批測試的線材(全新),所以換上錄了第二組對比,其它完全不變,只改變了解碼器到前級,前級到後級的信號線。
音箱:瑞典XTZ alpha旗艦;
功放:金音輪2200S;
前級:柏林之聲877;
解碼:Auralic Vega;
播放器:PC Jriver
第一組線材
前後級之間線材:三角形線聖平衡線
解碼器到前級線材:德國OHE澳霸
第二組線材
前後級之間線材:Xlo
解碼器到前級線材:線聖qudioquest eagle eye signature
當時的主觀聽音證實:換了第二批線後,錄音可以明顯聽出大提琴腔體粘稠質感、共鳴的聲音厚度有明顯的提升;所以放上兩段視頻公測;第二組的聲音離高級的聲音(皇帝位錄下來效果大部分的表現超過在線有損壓縮的音樂,這樣的效果基本能讓人服氣)還有很遠的差距,僅作為線材對聲音有影響的舉證。
文:楊迎春





後的頻響.jpg)

