接上期介绍(连接),本期我们继续和大家探讨线材在听音室系统中的作用。上次文章末段,我们介绍了部分工程声学的数据,本文将带来后续的数据:
第七项,低频响应
目前能找到的最新的国际标准为ISO 2969-2015,这个是电影院标准;(从标准中可以看出,影片制作也越来越变态,5HZ都做进去了)4.3现代音轨上低频效果声道的带宽从5 Hz扩展到120赫兹。 从大约25Hz到120Hz需要线性重低音扬声器响应。该120赫兹音轨切断非常陡峭,因此合适的低音扬声器需要上面几乎没有响应125赫兹。有关低音炮调节的信息,请参阅ISO 22234:2005。

EQ手动49Hz干预后,三炮超低频22Hz到90Hz正负2.5dB内
许多房间在低频效应通道内具有一个或多个主要共振频率带宽。如果没有阻尼,这可能导致每次特征性的低频“振铃”音轨包含低频信息。 大多数影院处理器至少有一个用于低音炮带通的参量均衡器。 调整后,之间的反应25 Hz和120 Hz应平坦至±3dB。
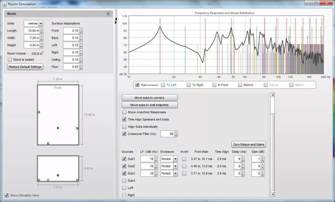
三炮摆位见模拟图:

三炮原始频响与EQ(手动EQ无提谷操作)后的频响
吻合国际声学专家哈曼Floyd老爷子著作中的声学原理:
在时域内,共震和其它共振近似,也有Q值,反映整个系统中的声学阻尼或摩擦力衰减。高Q值的共振具有较小的衰减:它们表现出较窄的频带的锐利曲线峰,在时域范围内则会产生延续的的拖尾音。一只底鼓应该发出结实的爆棚低音,但如果是在一间有不良共振的房间内,在共振的频率上,快速的连续敲击可能会演变成持续的模糊的轰鸣。在房间内、房间的边界、房间内的陈设以及声学结构当中,所采用的吸声量越大,共振的Q 值就越低。低Q 值的共振是由于系统的损耗导致的。

在频域曲线申会产生较宽范围的提升,和短得多的、受到抑制的拖尾音。抑制共振是一件好事情,但我们将会看到,用被动声学方式抑制房间内的低频共振是难度很高的。幸好,我们还可以利用电子和电声学手段来帮助消除不必要的声音。内部机制决定了共振的外部表现,当声音在两个或更多房间边界之间传播,并产生了完全的相长干涉时,就会产生我们熟知的驻波( standing waves )现象。这种现象存在于所有的共振频率上,并且可以通过测量房间边界范围内各点的声音强度变化检查出来。那些由高Q 值共振引起的尖峰和低谷都是比较锐利和窄的。而低Q 值共振则会产生相对平缓的声级变化。这些都会导致我们在小房间内,不同位置座位的低频品质的不罔,有时这种不同甚至十分惊人。

第八项:房间大小和构造
客观指标也发完了,主观部分开始就发了,整个空间能搞的东西都搞上了,算是武装到了牙齿。现场的听感来说,背景极黑,所以一直以来使用的音量极小,但动态对比度却很大很明显的感觉到动态落差。
因为一开始就说了线材,所以后面我要再举证一组对比,都知道我的原则,不得谈无法举证的东西,所以下面一组对比,将是对线材是否有使用的一个真实举证,并且就是昨天才完成的。6月26把箱子从大Q(Quested HD210),换成了XTZ 瓦片旗舰,群友对比听出“现在你放的这个1分钟左右开始大提琴,瓦片大提琴的粘稠质感全无,琴体共鸣也是更差,比Q箱差距巨大”。这位发烧友一直对发烧线材故意染色,给玩家制造一种一换上去一下就立竿见影,变化明显(不一定是提升明显)的感觉,凸显一部分,弱化一部分线材比较愤概,这也是线材在行内最惯用的伎俩,所以现在用高端录音室线材。同时另外一位群友,直接用录音软件对此首音乐的原文件、云音乐、和我录的音频作了全频的频率对数分析,除了云音乐是压缩的,高频被切之外,数据差异很少,所以以这个对比的方式来说,无法得到可明显区别的举证。但听感确实是大提琴比原文件在腔体共鸣上差不少。


在群友提出大提琴共鸣差之后,我昨天收到了第二批测试的线材(全新),所以换上录了第二组对比,其它完全不变,只改变了解码器到前级,前级到后级的信号线。
音箱:瑞典XTZ alpha旗舰;
功放:金音轮2200S;
前级:柏林之声877;
解码:Auralic Vega;
播放器:PC Jriver
第一组线材
前后级之间线材:三角形线圣平衡线
解码器到前级线材:德国OHE澳霸
第二组线材
前后级之间线材:Xlo
解码器到前级线材:线圣qudioquest eagle eye signature

当时的主观听音证实:换了第二批线后,录音可以明显听出大提琴腔体粘稠质感、共鸣的声音厚度有明显的提升;所以放上两段视频公测;第二组的声音离高级的声音(皇帝位录下来效果大部分的表现超过在线有损压缩的音乐,这样的效果基本能让人服气)还有很远的差距,仅作为线材对声音有影响的举证。


