锦州位于辽宁省西南部,是连接华北和东北两大区域的交通枢纽,本期和大家介绍的案例也在这里。在高端私人影院设计日益追求个性化与专业化的今天,锦州伟地音响以20年行业经验,成功为一位客户打造了一个兼具视觉艺术与听觉震撼的独立影院空间。伟地音响是集HiFi音响系统,高级私人影院的设计和施工一体化公司。从业近二十年间获得多次行业奖项,并积累了丰富的工作经验,已具有很强的专业能力,拥有行业专业资质认证的THX、SONY、JVC等音视频专业工程师多名。本案例采用英国Monitor Audio猛牌高端定制安装系列产品,并严格参照THX专业家庭影院标准进行声学设计,成为区域内又一标杆级影音工程。

器材清单:
● 主音箱:Monitor Audio W3M×3
● 环绕音箱:Monitor Audio W1M×4
● 吸顶音箱:Monitor Audio C1L×4
● 低音炮:Monitor Audio黑耀W15×1
● 投影仪:爱普生CH-TW7400
● AV功放:DENON A1H
● 影库系统:海美迪4K高清播放器
项目背景
本案例为一套独立私人影院空间,客户是一位资深电影与音乐爱好者,对视听品质有极高要求,希望打造一个既具强烈沉浸感,又能与整体家居审美完美融合的专属视听场所。客户提出影院必须在设计上具备观感高级感,同时实现影院级声音还原。
为什么选择英国猛牌
自1972年创立以来,英国猛牌(Monitor Audio)始终是全球知名的高端音响品牌,拥有强大的自主研发能力和自有生产体系。猛牌在金属振膜技术的研发与应用方面一直处于行业领先地位。早在1986年,猛牌便推出了首款金高音单元,采用源自航空工业的发动机金属材料,凭借轻薄、坚固、响应迅速的特性,在音响圈引起轰动。
自2002年起,猛牌开始深耕定制安装音响领域,产品线不断扩展,现已涵盖天花吸顶、入墙、隐形、户外、商业及全天候系列等多个种类,形成了多达百余款型号的完整产品体系。其中部分产品还达到IP55、IP4X等高级别的防水、防尘、防腐蚀标准,广泛应用于智能家庭和各类高端商业工程中,提供更专业、更高保真的音频解决方案。
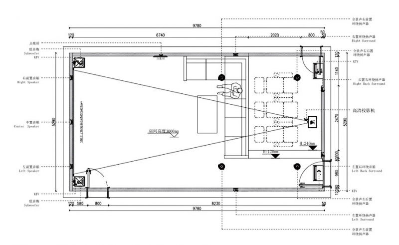
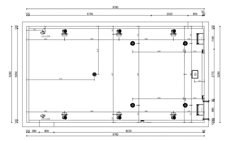
影音室顶面布局图
影音室平面规划图
设计与布局策略
影院空间为约50平米的正方形独立房间,具备良好的结构基础。考虑到视听均衡及座位布局,伟地音响团队采用对称式音箱布置与中心视点规划,最大化杜比全景声系统的声场表现。前端设立180英寸微孔透声幕布,可实现音箱隐藏式安装,确保美观与声学性能兼顾。
器材简述
影院的主音箱采用了猛牌创造者系列的W3M,W3M是英国猛牌(Monitor Audio)专为高端定制影院设计的入墙式音箱,采用三分频结构,可提供更宽广的频率响应和更低的失真率,带来清晰通透的中高频表现与饱满有力的低频下潜。
而侧环绕则选用了猛牌的W1M环绕音箱,这款音箱具备宽广的扩散角度,其轻薄箱体与高性能驱动单元的结合,使其在不干扰空间美感的前提下,带来灵动、细腻的环绕声。
猛牌的C1L是实现沉浸式系统中天空声道的理想选择,延续了猛牌一贯的声音品质,凭借其宽广的声场覆盖和清晰的高频表现,可以很好的还原从头顶传来的音效信息,如飞行物划过、雨声落下或空间回响等声音元素,为你构建一个令人身临其境的全景声环境。

在杜比全景声系统中,强有力的低频基础同样不可或缺,这正是猛牌黑曜W15的强项。W15搭载了一只15英寸RST II高冲程C-CAM低音单元,并由强大的2500W D类放大器驱动,专为在宽大空间中实现深沉而精确的低频而设计。其密闭箱体结构带来干净、迅捷的低频响应,不仅具备惊人的能量输出,也拥有出色的瞬态控制,能为整个系统打下厚实的声学根基。无论是影院中的震撼音效,还是音乐中的细腻氛围,W15都能以精准、克制而深邃的方式呈现每一道低频波动。

影院的投影仪选择的是Epson爱普生CH-TW7400家用4K HDR投影机,具备极高的画面分辨率与出色的色彩还原能力,完美呈现影院级视觉效果。投影画面通过180英寸微孔透声幕布呈现,其超大画幅与宽广视角为观影带来沉浸式体验。同时,透声设计让前方音箱得以隐藏于幕布之后,实现视觉与听觉的无缝融合,无需为音响布置妥协画面美学,是对空间美感与音效表现的双重优化。
Monitor Audio黑耀W15作为系统的心脏,AV功放选择的是DENON天龙A1H顶级家庭影院,可以提供高达15.4声道的解码与放大处理能力,支持最新的Dolby Atmos、DTS:X Pro等多声道沉浸式音效格式。其强劲的驱动力和低失真设计能够精准推动猛牌定制音箱,充分释放每只单元的动态表现力。从细腻对话到震撼音效,无论是电影大片还是现场音乐会录音,都能还原最真实的声音场景。
兼顾更多娱乐功能
除了专业级影院功能,系统还整合了一套TRS特尔斯KTV系统,为家庭带来更多互动与欢乐时光。该系统支持高保真麦克风输入、混响调节及便捷的点歌系统,轻松实现卡拉OK聚会、家庭演唱会或朋友聚会等娱乐场景。专业音响配置确保人声清晰饱满,背景音乐细节丰富,让影音空间不再局限于“观影”,更是家人朋友共享欢乐的社交主场。
结语
这是一套融合影音美学与技术实力的高端定制家庭影院系统。影院核心采用英国Monitor Audio猛牌定制系列音箱,结合Anthra黑耀W15超低音炮,构建起沉浸式的杜比全景声声场;再配合Epson爱普生CH-TW7400 4K HDR投影与180英寸透声幕布,呈现震撼画面与精准音画同步体验。DENON天龙A1H顶级功放则为全系统提供强劲驱动力与多声道管理,确保每一声细节都饱满鲜明。而TRS特尔斯KTV系统的加入,则让家庭影院不止于观影,更成为家人朋友共享欢乐的娱乐空间。整体方案在声音、画面、操控与美学上达成平衡,是追求极致影音享受家庭的理想之选。


